Product Overview
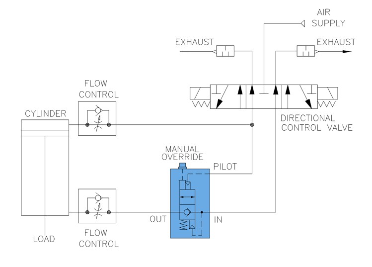
The Aladco® Clean-Check® valve is a normally closed check valve that can be either overridden manually or by air piloting to allow two-way flow. The tightly sealed Clean-Check® valves are used on pneumatic devices to stop motion upon loss of air pressure and prevent the device from drifting.
The Clean-Check® valve, being vent free, is designed specifically for pneumatic applications used in clean/sanitary environments. The Clean-Check® valve is also highly tolerant of external dust, dirt, oil, grease, detergent, cleaning solutions, and cutting fluids. The unique bubble-tight seal keeps devices from drifting toward the “checked” position in the event of pressure loss or fluctuation. To release the seal, press the manual override button or operate the pilot.
Aladco® highly recommends the use of spring centered 3 position 5-way centered vented valves for directional control with the use of Clean-Check® valves.
Features
- Superior, self-cleaning ball and seat seal provides long product life
- Exceeds ANSI Class VI Leak Standard (bubble tight)
- Body is made of high strength, lightweight, anodized 6061 aluminum alloy (Stainless Steel 303 is optional in some models)
- Variety of porting options
- Designed for use with lubricated or non-lubricated air systems
- Tamper resistant with no required maintenance
- Prevents load drift and provides rapid stopping of load
- Fully sealed for use in clean/sanitary environments
- Patented and Made in Waukesha, Wisconsin USA
- Standard 3-year warranty
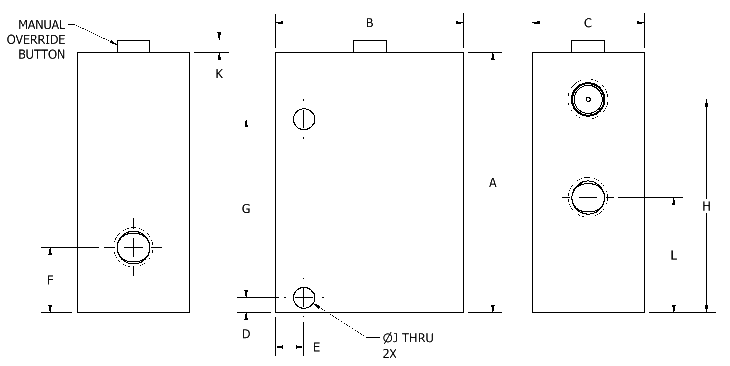
Clean-Check® Pneumatic Check Valve Dimensions



Additional Notes:
- MTTF is over 100 million cycles for Buna-N seals and over 40 million cycles for Viton® seals
- NPTF Ports conform to ASME B1.20.1-2013 Pipe Threads, General Purpose (Inch)
- BSPP (G) and M5 Ports conform to ISO 16030:2003: Pneumatic fluid power – Connections – Ports and stud ends
- Operating pressure 15 to 120 psi
- Operating temperature 30° to 150°F
- 10-32 UNF models have only one mounting hole
- This valve has not been designed for use on vacuum, air over oil or high pressure applications
Model Ordering Information

Product Configurator
The U.S. list price displayed is for individual quantities of 1-24. Contact your Aladco® Distributor or Aladco® for volume pricing of 25 or more valves.
Additional information
| Model Type | 50 : Clean-Check® Valve – Extended Manual Override, 51 : Clean-Check® Valve – Flush Manual Override, 52 : Clean-Check® Valve – No Manual Override |
|---|---|
| Inlet-Outlet Port Size | 32 : 10-32 UNF Port, 32 : M5 ISO Metric Port, 12 : 1/8 Port, 25 : 1/4 Port, 38 : 3/8 Port, 50 : 1/2 Port |
| Seal Type | 01 : Buna-N Seals, 02 : Viton® Seals |
| Material Body | [blank] : Aluminum, SS : 303 Stainless Steel |
| Thread Class | [blank] : NPTF Thread Class, [blank] : UNF Thread Class, BSPP : G BSPP Thread Class, M5 : ISO Metric Thread Class |
| Optional Suffix | [blank] : No Optional Features, NCP : No Cracking Pressure |
Technical & Application Files
Clean-Check® Information • 1/8″ Clean-Check®/Nu-Check® Comparison • 10-32 Clean-Check®/Nu-Check® Comparison •
Clean-Check® Full Circuit Diagram • Clean-Check® CAD Files



